wakeflotshop.ru
Интернет-магазин товаров для катеров-буксировщиков
Магазин
ТРАНСМИССИИ И РЕДУКТОРЫ, ЗАПЧАСТИ
ТРАНСМИССИИ И РЕДУКТОРЫ В СБОРЕ
Охладители трансмиссии
Подшипники редуктора/трансмиссии
Прокладки трансмиссий и редукторов
Щупы трансмиссии
Сальники трансмиссий и редукторов
Болты демпферов и трансмиссий
Кожухи трансмиссии
Шланги и фитинги трансмиссии
Демпферы
Ремкомплекты и фрикционы трансмиссий ремкомплекты редукторов
Стопорные кольца валы и пружины трансмиссий
ПРИЦЕПЫ, КОНСЕРВАЦИЯ, СУДОПОДЪЁМНИКИ
Судоподъёмники
СТОЯНКА И КОНСЕРВАЦИЯ
ПРИЦЕПЫ И ЗАПЧАСТИ
Фалы и ручки
ИНСТРУМЕНТЫ
БАЛЛАСТЫ, СИСТЕМЫ ВОЛНЫ
БАЛЛАСТНЫЕ СИСТЕМЫ
ВСЕ ДЛЯ СЕРФ-СИСТЕМЫ
СИСТЕМЫ УПРАВЛЕНИЯ ВОЛНОЙ И БАЛЛАСТОМ
ЭЛЕКТРООБОРУДОВАНИЕ
ПОДВОДНЫЙ СВЕТ
МОРСКАЯ АКУСТИКА
ЭЛЕКТРИКА
СИСТЕМЫ КРУИЗ КОНТРОЛЯ
ТРЮМНЫЕ ПОМПЫ
МАСЛА И ЖИДКОСТИ ДВИГАТЕЛЕЙ
Моторные масла
Трансмиссионные и редукторные масла
ДВИГАТЕЛИ СУДОВЫЕ
Двигатели PCM
Двигатели MARINE POWER
Двигатели INDMAR
Двигатели судовые восстановленные
Двигатели ILMOR
Двигатели судовые новые
Двигатели MERCRUISER
Двигатели VOLVO PENTA
ЗАПЧАСТИ СИСТЕМ ДВИГАТЕЛЕЙ
СИСТЕМЫ ОХЛАЖДЕНИЯ, ИМПЕЛЛЕРЫ, ШЛАНГИ
ЭЛЕКТРИКА ДВИГАТЕЛЯ, ECM, ПРОВОДКА И ДАТЧИКИ
МАСЛЯНАЯ СИСТЕМА ДВИГАТЕЛЯ, ПОДДОНЫ, ПОМПЫ
РЕМНИ, ШКИВЫ, НАТЯЖИТЕЛИ, РОЛИКИ ДВИГАТЕЛЕЙ
ТОПЛИВНЫЕ И ВОЗДУШНЫЕ СИСТЕМЫ ДВИГАТЕЛЕЙ
ВЫХЛОПНЫЕ СИСТЕМЫ И КОЛЛЕКТОРЫ
РУЛЕВАЯ СИСТЕМА И УПРАВЛЕНИЕ ДРОССЕЛЕМ
Ручки дросселя и тросы газ-реверс
Рулевые тросы и рулевые механизмы
ЗАПЧАСТИ ДВИГАТЕЛЬНЫХ БЛОКОВ
Крепления двигателя
Болты крышек двигателя
Болты ГБЦ
Наборы болтов двигателя
Поршневая группа
Головки блока двигателя
Блок двигателя
Впускные коллекторы
Болты оборудования блока двигателя
Прокладки и сальники двигателей
Крышки двигателей
КОРПУСА И САЛОНЫ
ХИМИЯ
СИДЕНЬЯ САЛОНА И МОРСКОЙ ВИНИЛ
КОРПУСА, САЛОНЫ
ЛОГОТИПЫ БОРТОВЫЕ
ВИНТЫ, ПОДВОДНЫЕ МЕХАНИЗМЫ
ПОДВОДНЫЕ МЕХАНИЗМЫ
ГРЕБНЫЕ ВИНТЫ
Запрос запчастей
Подбор гребных винтов
Тех обслуживание
Контакты
+7 800 555 9253
Заказать звонок
Задать вопрос
Войти
  • Корзина0
  • Избранные товары0
  • Сравнение товаров0
office@wakeflot.ru
Московская область, г. Долгопрудный, ул. Якова Гунина, д.1с3
  • Telegram
  • WhatsApp
wakeflotshop.ru
Интернет-магазин товаров для катеров-буксировщиков
+7 800 555 9253
Войти
Сравнение0
Избранные товары 0
Корзина 0
Магазин
  • ТРАНСМИССИИ И РЕДУКТОРЫ, ЗАПЧАСТИ
    ТРАНСМИССИИ И РЕДУКТОРЫ, ЗАПЧАСТИ
  • ПРИЦЕПЫ, КОНСЕРВАЦИЯ, СУДОПОДЪЁМНИКИ
    ПРИЦЕПЫ, КОНСЕРВАЦИЯ, СУДОПОДЪЁМНИКИ
  • ИНСТРУМЕНТЫ
    ИНСТРУМЕНТЫ
  • БАЛЛАСТЫ, СИСТЕМЫ ВОЛНЫ
    БАЛЛАСТЫ, СИСТЕМЫ ВОЛНЫ
  • ЭЛЕКТРООБОРУДОВАНИЕ
    ЭЛЕКТРООБОРУДОВАНИЕ
  • МАСЛА И ЖИДКОСТИ ДВИГАТЕЛЕЙ
    МАСЛА И ЖИДКОСТИ ДВИГАТЕЛЕЙ
  • ДВИГАТЕЛИ СУДОВЫЕ
    ДВИГАТЕЛИ СУДОВЫЕ
  • ЗАПЧАСТИ СИСТЕМ ДВИГАТЕЛЕЙ
    ЗАПЧАСТИ СИСТЕМ ДВИГАТЕЛЕЙ
  • РУЛЕВАЯ СИСТЕМА И УПРАВЛЕНИЕ ДРОССЕЛЕМ
    РУЛЕВАЯ СИСТЕМА И УПРАВЛЕНИЕ ДРОССЕЛЕМ
  • ЗАПЧАСТИ ДВИГАТЕЛЬНЫХ БЛОКОВ
    ЗАПЧАСТИ ДВИГАТЕЛЬНЫХ БЛОКОВ
  • КОРПУСА И САЛОНЫ
    КОРПУСА И САЛОНЫ
  • ВИНТЫ, ПОДВОДНЫЕ МЕХАНИЗМЫ
    ВИНТЫ, ПОДВОДНЫЕ МЕХАНИЗМЫ
Запрос запчастей
Подбор гребных винтов
Тех обслуживание
Контакты
+  ЕЩЕ
    wakeflotshop.ru
    Магазин
    • ТРАНСМИССИИ И РЕДУКТОРЫ, ЗАПЧАСТИ
      ТРАНСМИССИИ И РЕДУКТОРЫ, ЗАПЧАСТИ
    • ПРИЦЕПЫ, КОНСЕРВАЦИЯ, СУДОПОДЪЁМНИКИ
      ПРИЦЕПЫ, КОНСЕРВАЦИЯ, СУДОПОДЪЁМНИКИ
    • ИНСТРУМЕНТЫ
      ИНСТРУМЕНТЫ
    • БАЛЛАСТЫ, СИСТЕМЫ ВОЛНЫ
      БАЛЛАСТЫ, СИСТЕМЫ ВОЛНЫ
    • ЭЛЕКТРООБОРУДОВАНИЕ
      ЭЛЕКТРООБОРУДОВАНИЕ
    • МАСЛА И ЖИДКОСТИ ДВИГАТЕЛЕЙ
      МАСЛА И ЖИДКОСТИ ДВИГАТЕЛЕЙ
    • ДВИГАТЕЛИ СУДОВЫЕ
      ДВИГАТЕЛИ СУДОВЫЕ
    • ЗАПЧАСТИ СИСТЕМ ДВИГАТЕЛЕЙ
      ЗАПЧАСТИ СИСТЕМ ДВИГАТЕЛЕЙ
    • РУЛЕВАЯ СИСТЕМА И УПРАВЛЕНИЕ ДРОССЕЛЕМ
      РУЛЕВАЯ СИСТЕМА И УПРАВЛЕНИЕ ДРОССЕЛЕМ
    • ЗАПЧАСТИ ДВИГАТЕЛЬНЫХ БЛОКОВ
      ЗАПЧАСТИ ДВИГАТЕЛЬНЫХ БЛОКОВ
    • КОРПУСА И САЛОНЫ
      КОРПУСА И САЛОНЫ
    • ВИНТЫ, ПОДВОДНЫЕ МЕХАНИЗМЫ
      ВИНТЫ, ПОДВОДНЫЕ МЕХАНИЗМЫ
    Запрос запчастей
    Подбор гребных винтов
    Тех обслуживание
    Контакты
    +  ЕЩЕ
      Сравнение0
      Избранные товары 0
      Корзина 0
      wakeflotshop.ru
      Сравнение0 Избранные товары 0 Корзина 0
      Телефоны
      +7 800 555 9253
      • Магазин
        • Назад
        • Магазин
        • ТРАНСМИССИИ И РЕДУКТОРЫ, ЗАПЧАСТИ
          • Назад
          • ТРАНСМИССИИ И РЕДУКТОРЫ, ЗАПЧАСТИ
          • ТРАНСМИССИИ И РЕДУКТОРЫ В СБОРЕ
          • Охладители трансмиссии
          • Подшипники редуктора/трансмиссии
          • Прокладки трансмиссий и редукторов
          • Щупы трансмиссии
          • Сальники трансмиссий и редукторов
          • Болты демпферов и трансмиссий
          • Кожухи трансмиссии
          • Шланги и фитинги трансмиссии
          • Демпферы
          • Ремкомплекты и фрикционы трансмиссий ремкомплекты редукторов
          • Стопорные кольца валы и пружины трансмиссий
        • ПРИЦЕПЫ, КОНСЕРВАЦИЯ, СУДОПОДЪЁМНИКИ
          • Назад
          • ПРИЦЕПЫ, КОНСЕРВАЦИЯ, СУДОПОДЪЁМНИКИ
          • Судоподъёмники
          • СТОЯНКА И КОНСЕРВАЦИЯ
          • ПРИЦЕПЫ И ЗАПЧАСТИ
          • Фалы и ручки
        • ИНСТРУМЕНТЫ
        • БАЛЛАСТЫ, СИСТЕМЫ ВОЛНЫ
          • Назад
          • БАЛЛАСТЫ, СИСТЕМЫ ВОЛНЫ
          • БАЛЛАСТНЫЕ СИСТЕМЫ
          • ВСЕ ДЛЯ СЕРФ-СИСТЕМЫ
          • СИСТЕМЫ УПРАВЛЕНИЯ ВОЛНОЙ И БАЛЛАСТОМ
        • ЭЛЕКТРООБОРУДОВАНИЕ
          • Назад
          • ЭЛЕКТРООБОРУДОВАНИЕ
          • ПОДВОДНЫЙ СВЕТ
          • МОРСКАЯ АКУСТИКА
          • ЭЛЕКТРИКА
          • СИСТЕМЫ КРУИЗ КОНТРОЛЯ
          • ТРЮМНЫЕ ПОМПЫ
        • МАСЛА И ЖИДКОСТИ ДВИГАТЕЛЕЙ
          • Назад
          • МАСЛА И ЖИДКОСТИ ДВИГАТЕЛЕЙ
          • Моторные масла
          • Трансмиссионные и редукторные масла
        • ДВИГАТЕЛИ СУДОВЫЕ
          • Назад
          • ДВИГАТЕЛИ СУДОВЫЕ
          • Двигатели PCM
          • Двигатели MARINE POWER
          • Двигатели INDMAR
          • Двигатели судовые восстановленные
          • Двигатели ILMOR
          • Двигатели судовые новые
          • Двигатели MERCRUISER
          • Двигатели VOLVO PENTA
        • ЗАПЧАСТИ СИСТЕМ ДВИГАТЕЛЕЙ
          • Назад
          • ЗАПЧАСТИ СИСТЕМ ДВИГАТЕЛЕЙ
          • СИСТЕМЫ ОХЛАЖДЕНИЯ, ИМПЕЛЛЕРЫ, ШЛАНГИ
          • ЭЛЕКТРИКА ДВИГАТЕЛЯ, ECM, ПРОВОДКА И ДАТЧИКИ
          • МАСЛЯНАЯ СИСТЕМА ДВИГАТЕЛЯ, ПОДДОНЫ, ПОМПЫ
          • РЕМНИ, ШКИВЫ, НАТЯЖИТЕЛИ, РОЛИКИ ДВИГАТЕЛЕЙ
          • ТОПЛИВНЫЕ И ВОЗДУШНЫЕ СИСТЕМЫ ДВИГАТЕЛЕЙ
          • ВЫХЛОПНЫЕ СИСТЕМЫ И КОЛЛЕКТОРЫ
        • РУЛЕВАЯ СИСТЕМА И УПРАВЛЕНИЕ ДРОССЕЛЕМ
          • Назад
          • РУЛЕВАЯ СИСТЕМА И УПРАВЛЕНИЕ ДРОССЕЛЕМ
          • Ручки дросселя и тросы газ-реверс
          • Рулевые тросы и рулевые механизмы
        • ЗАПЧАСТИ ДВИГАТЕЛЬНЫХ БЛОКОВ
          • Назад
          • ЗАПЧАСТИ ДВИГАТЕЛЬНЫХ БЛОКОВ
          • Крепления двигателя
          • Болты крышек двигателя
          • Болты ГБЦ
          • Наборы болтов двигателя
          • Поршневая группа
          • Головки блока двигателя
          • Блок двигателя
          • Впускные коллекторы
          • Болты оборудования блока двигателя
          • Прокладки и сальники двигателей
          • Крышки двигателей
        • КОРПУСА И САЛОНЫ
          • Назад
          • КОРПУСА И САЛОНЫ
          • ХИМИЯ
          • СИДЕНЬЯ САЛОНА И МОРСКОЙ ВИНИЛ
          • КОРПУСА, САЛОНЫ
          • ЛОГОТИПЫ БОРТОВЫЕ
        • ВИНТЫ, ПОДВОДНЫЕ МЕХАНИЗМЫ
          • Назад
          • ВИНТЫ, ПОДВОДНЫЕ МЕХАНИЗМЫ
          • ПОДВОДНЫЕ МЕХАНИЗМЫ
          • ГРЕБНЫЕ ВИНТЫ
      • Запрос запчастей
      • Подбор гребных винтов
      • Тех обслуживание
      • Контакты
      • Личный кабинет
      • Корзина0
      • Избранные товары0
      • Сравнение товаров0
      • +7 800 555 9253
      Контактная информация
      Московская область, г. Долгопрудный, ул. Якова Гунина, д.1с3
      office@wakeflot.ru
      • Telegram
      • WhatsApp

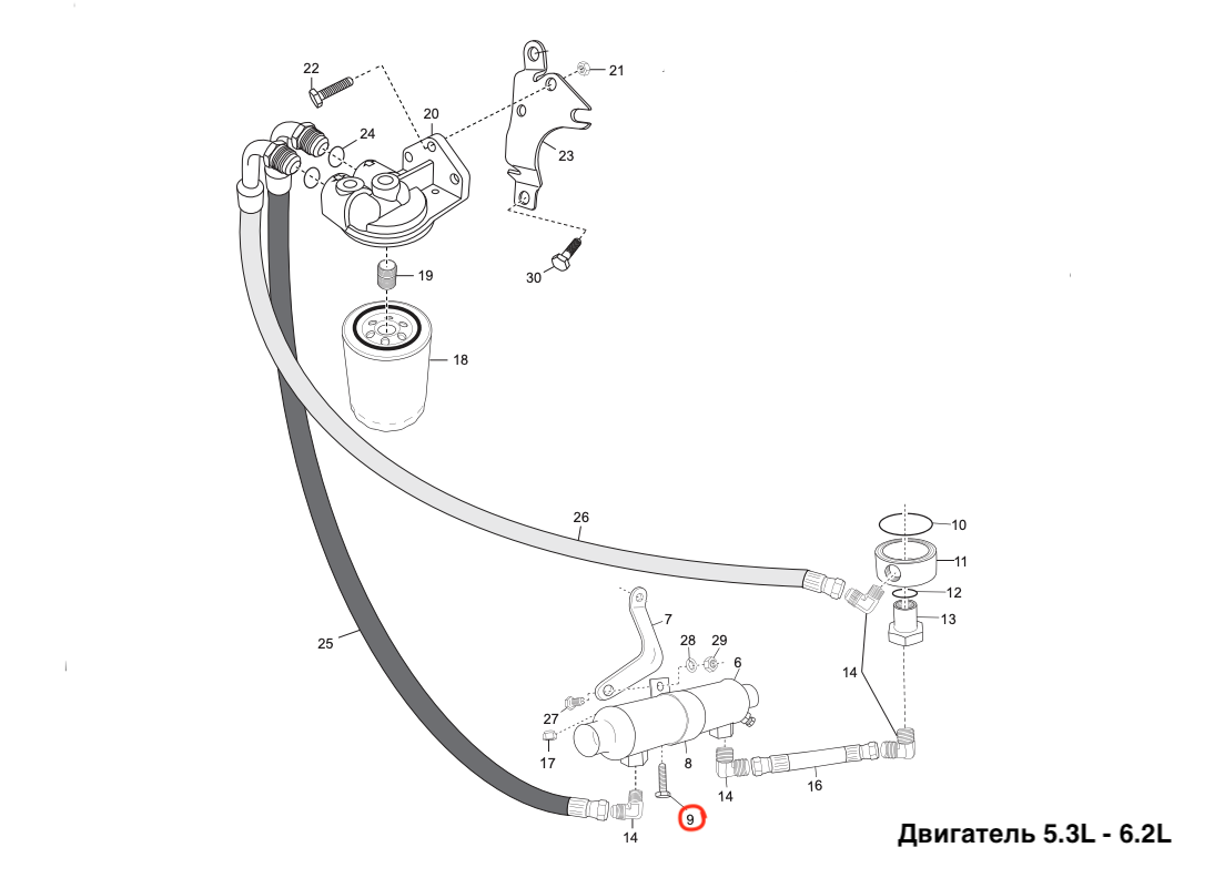
      Болт двигателя PCM RS0256

      Главная
      —
      Магазин
      —
      ЗАПЧАСТИ ДВИГАТЕЛЬНЫХ БЛОКОВ
      ТРАНСМИССИИ И РЕДУКТОРЫ, ЗАПЧАСТИПРИЦЕПЫ, КОНСЕРВАЦИЯ, СУДОПОДЪЁМНИКИИНСТРУМЕНТЫБАЛЛАСТЫ, СИСТЕМЫ ВОЛНЫЭЛЕКТРООБОРУДОВАНИЕМАСЛА И ЖИДКОСТИ ДВИГАТЕЛЕЙДВИГАТЕЛИ СУДОВЫЕЗАПЧАСТИ СИСТЕМ ДВИГАТЕЛЕЙРУЛЕВАЯ СИСТЕМА И УПРАВЛЕНИЕ ДРОССЕЛЕМКОРПУСА И САЛОНЫВИНТЫ, ПОДВОДНЫЕ МЕХАНИЗМЫ
      —
      Болты оборудования блока двигателя
      Крепления двигателяБолты крышек двигателяБолты ГБЦНаборы болтов двигателяПоршневая группаГоловки блока двигателяБлок двигателяВпускные коллекторыПрокладки и сальники двигателейКрышки двигателей
      —Болт двигателя PCM RS0256
      Болт двигателя PCM RS0256
      SolBRtxZTZ.png
      1koVK1Obqk.png
      sQZr9VLbTj.png
      fx5XasKV3r.png
      kjB1iQ6z1j.png
      Болт двигателя PCM RS0256
      SolBRtxZTZ.png
      1koVK1Obqk.png
      sQZr9VLbTj.png
      fx5XasKV3r.png
      kjB1iQ6z1j.png
      275,50 руб./шт
      Варианты цен
      275,50 руб./шт
      Подробности
      Достаточно
      Рассчитать доставку
      Характеристики
      Код
      —
      RS0256
      • Наличие
      • Отзывы
      • Как купить
      Наличие
      Отзывы
      Нет оценок
      Оставить отзыв
      Загрузка отзывов...

      Для покупки товара в нашем интернет-магазине выберите понравившийся товар и добавьте его в корзину. Далее перейдите в Корзину и нажмите на «Оформить заказ» или «Быстрый заказ».

      Когда оформляете быстрый заказ, напишите ФИО, телефон и e-mail. Вам перезвонит менеджер и уточнит условия заказа. По результатам разговора вам придет подтверждение оформления товара на почту или через СМС. Теперь останется только ждать доставки и радоваться новой покупке.

      Оформление заказа в стандартном режиме выглядит следующим образом. Заполняете полностью форму по последовательным этапам: адрес, способ доставки, оплаты, данные о себе. Советуем в комментарии к заказу написать информацию, которая поможет курьеру вас найти. Нажмите кнопку «Оформить заказ».

      275,50 руб./шт
      Варианты цен
      275,50 руб./шт
      Подробности
      Достаточно
      В корзинуВ корзине
      Рассчитать доставку
      Характеристики
      Код
      —
      RS0256
      Компания
      О компании
      Контакты
      Документы
      Оплата и доставка
      Гарантийные обязательства интернет-магазина
      Соглашение о персональных данных
      Публичная оферта
      Реквизиты
      +7 800 555 9253
      office@wakeflot.ru
      Московская область, г. Долгопрудный, ул. Якова Гунина, д.1с3
      2026 © Интернет-магазин товаров для катеров-буксировщиков